Hoş Geldiniz
Hızlı ve güvenli alışverişe giriş yapın!
Henüz Üye Değil Misiniz?
Kolayca üye olabilirsiniz!

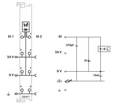
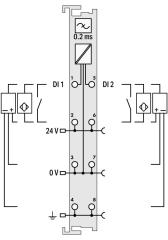
750-411 2 kanallı dijital giriş; 24 VDC; 0,2 ms; Yakınlık anahtarı; açık gri

Marka
Stok Kodu
750-411
Fiyat
81,40 EUR + KDV
*536,00 TL den başlayan taksitlerle!
4.314,20 TL + KDV
Havale
5.177,04 TL
5000 TL ÜZERİ ÜCRETSİZ KARGO
Kargo Bedava
Ön Siparişli Ürün
Ayrıntılar
Teknik veri
Dijital girişlerin sayısı 2
Toplam kanal sayısı (modül) 2
Sinyal tipi Voltaj
Sinyal voltajı türü DC 24 V
Sensör besleme gerilimi DC 24 V
Sensör bağlantısı 2 x (2 iletkenli, 3 iletkenli, 4 iletkenli); 2 telli yakınlık anahtarı
Giriş karakteristiği yüksek taraf anahtarlama
Giriş filtresi (dijital) 0,2 ms
Sinyal (1) türü için kanal başına giriş akımı. 8 mA
Sinyal gerilimi (0) −3… +5 VDC
Sinyal gerilimi (1) 15… 30 VDC
Giriş veri genişliği (dahili) (maks.) 2 Bit
Sistem besleme gerilimi DC 5 V; veri kişileri aracılığıyla
Akım tüketimi, sistem beslemesi (5 V) 2,5 mA
Alan besleme gerilimi DC 24 V (-25 ... +% 30); güç kontakları aracılığıyla (bıçak kontağı yoluyla besleme; yay kontağı yoluyla yönlendirme)
İzolasyon 500 V sistem/besleme
Göstergeler LED (A, C) yeşil: Durum DI 1, DI 2
Gelen güç jumper kontaklarının sayısı 3
Giden güç jumper kontaklarının sayısı 3
Güç jumper kontaklarının mevcut taşıma kapasitesi 10 A
Daha az
Bağlantı verisi
Bağlantı teknolojisi: Giriş / Çıkışlar 8 x CAGE CLAMP ®
Bağlantı tipi (1) Girişler / Çıkışlar
Tek damarlı boylar 0,08… 2,5 mm² / 28… 14 AWG
İnce bükümlü kablolar 0,08… 2,5 mm² / 28… 14 AWG
Sıyırma uzunluğu 8… 9 mm / 0,31… 0,35 inç
Geometrik Veriler
Genişlik 12 mm / 0,472 inç
Yükseklik 100 mm / 3,937 inç
Derinlik 69,8 mm / 2.748 inç
DIN-35 rayın üst kenarından itibaren uzunluk 62,6 mm / 2,465 inç
Mekanik Veri
Montaj tipi DIN 35 ışını
Tak-çıkar konnektör Hayır
Malzeme Verileri
Renk açık gri
Gövde malzemesi Polikarbonat, poliamid 6.6
Yangın yükü 1.491 MJ
Ağırlık 46,5 g
Uygunluk işareti BU
Çevresel Gereklilikler
Çevreleyen hava (çalışma) sıcaklığı 0… 55 ° C
Çevreleyen hava (depolama) sıcaklığı -40… 85 ° C
Koruma sınıfı IP20
Kirlilik derecesi (5) IEC 61131-2'ye göre 2
Çalışma yüksekliği 0… 2000 m
Montaj pozisyonu yatay (ayakta / yatarken) veya dikey
Nısbi nem (yoğuşmasız) 95 %
Titreşime dayanıklı IEC 60068-2-6 başına 4g
Darbe direnci IEC 60068-2-27'ye göre 15g
EMC'nin parazite karşı bağışıklığı acc. EN 61000-6-2'ye göre, denizcilik uygulamaları
EMU:  1 - enterferans emisyonu acc. EN 61000-6-4'e göre, denizcilik uygulamaları
Kirletici maddelere maruziyet IEC 60068-2-42 ve IEC 60068-2-43'e göre
Bağıl nemde izin verilen H 2 S kirletici konsantrasyonu  75 % 10 sayfa / dakika'ya kadar
Bağıl nemde izin verilen SO 2 kirletici konsantrasyonu  75 % 25 sayfa / dakika'ya kadar
Daha az
Ticari Veri
Ürün grubu 15 (Uzak G / Ç)
SAP'den ambalaj tipi KUTU
Menşei ülke NIN-NİN
GTIN 4045454392789
Gümrük Tarife numarası 85389099990
Bu ürüne ilk yorumu siz yapın!
Bu ürünün fiyat bilgisi, resim, ürün açıklamalarında ve diğer konularda yetersiz gördüğünüz noktaları öneri formunu kullanarak tarafımıza iletebilirsiniz.
Görüş ve önerileriniz için teşekkür ederiz.
750-411 2 kanallı dijital giriş; 24 VDC; 0,2 ms; Yakınlık anahtarı; açık gri 750-411 2 kanallı dijital giriş; 24 VDC; 0,2 ms; Yakınlık anahtarı; açık gri şimdi en uygun fiyatıyla İzmir-enerji.com.tr’de! Hemen tıklayın ve alışverişe başlayın! 750-411
750-411 2 kanallı dijital giriş; 24 VDC; 0,2 ms; Yakınlık anahtarı; açık gri

Tavsiye Et

*
*
*
IdeaSoft® | E-Ticaret paketleri ile hazırlanmıştır.